neverless101 ®   03-Jul-2019 11:35

Manual for Hada Boiler


Year: -
Language: english
Author: Tortoise Engineering
Genre: Manual
Format: PDF
Quality: Scanned pages
Pages count: 303
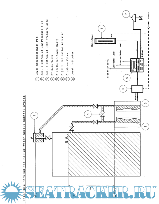
Description: Manual for Hada Boiler

Contents

Screenshots

Hada Boiler.pdf

Download [11 KB]

Thank U
Reply
refresh list

Similar releases

MANUAL FOR WATER TREATMENT OF MIURA BOILER - MIURA [PDF]
Engineering Knowledge: Boiler Notes for Mercantile Marine Department (MMD), India Examinations for…
SAFETY, OPERATING & MAINTENANCE INSTRUCTIONS MARINE AUXILIARY BOILER (HB-08,10,12,15,18) - MIURA…
HTI-Gesab Thermal Oil Boiler Type 2xHE 25 H 50 AHE 05 V 40 - Hoch- Temperatur Industrieanlagen GmbH…
Mitsubishi Auxiliary Boiler Type MAC-35B - Mitsubishi Heavy Industries, LTD. [2009, PDF]
SAFETY, OPERATING & MAINTENANCE INSTRUCTIONS MARINE AUXILIARY BOILER (HB-08T,10T,12T,15T,18T) -…
Boiler Control Systems Engineering - G. F. (Jerry) Gilman [2005, PDF]
The Perfect 251: Advanced Marine Engineering Interview Questions with Answers - Vijayraj Singh &…
Model Boats Volume 68 Number 808 - Graham Ashby, editor [2018, PDF]
Identification of Damage to the Elements of Ship Boiler Plants - N. I, Denisenko, I. I. Kostylev…
LOAD MORE
  • Reply

The time now is: Today 11:23

All times are GMT + 3 Hours