neverless101 ®   27-Jun-2019 16:18

Mitsubishi Self Ejector Genius-Series (Operation Manual 2)


Year: -
Language: english
Author: Mitsubishi
Genre: Manual
Format: PDF
Quality: eBook
Pages count: 126
Description: Mitsubishi Self Ejector Genius-Series (Operation Manual 2)

Contents

-Precautions for safety
-Functions of components
-Operation setting items and adjustment procedures
-How to start and stop
1 Precautions in safety ............................................................................................ 1-1
1.1 Symbols related to safety .......................................................................................................... 1-1
1.2 Labels for safety ........................................................................................................................ 1-2
1.3 Safety precautions .................................................................................................................... 1-3
1.4 Definition of terms ..................................................................................................................... 1-5
2 Component Functions of the Purifying System .................................................. 2-1
2.1 Automatic control panel ............................................................................................................. 2-1
2.2 Multi-Monitor (MM) .................................................................................................................... 2-2
2.2.1 Display Function ........................................................................................................................ 2-3
2.2.2 Leakage Monitor Function (LM) ................................................................................................ 2-3
2.2.3 Discharge Detector (DD) ........................................................................................................... 2-3
2.2.4 Water Detector Function (WD) .................................................................................................. 2-3
2.3 Gear pump ................................................................................................................................ 2-5
2.4 Safety joint ................................................................................................................................ 2-5
2.5 Plug (sludge outlet) ................................................................................................................... 2-5
2.6 Operating water solenoid valves unit ......................................................................................... 2-6
2.7 3-way Cylinder Valve ................................................................................................................. 2-6
2.8 3-way Solenoid Valve ................................................................................................................ 2-6
2.9 Oil Heater .................................................................................................................................. 2-6
2.10 Oil strainer ................................................................................................................................. 2-6
2.11 Flow control valve ..................................................................................................................... 2-6
2.12 Pressure Control Valve (needle valve) ...................................................................................... 2-6
3 Setup Items and Recommended Values for Operation ...................................... 3-1
3.1 Feed Rate ................................................................................................................................. 3-1
3.2 Treating Temperature ................................................................................................................ 3-2
3.3 Gravity Disc ............................................................................................................................... 3-3
3.3.1 Supplied gravity discs................................................................................................................ 3-3
3.3.2 Gravity disc selection procedure ............................................................................................... 3-5
3.4 Lubrication Oil ......................................................................................................................... 3-35
3.4.1 Oil quantity .............................................................................................................................. 3-35
3.4.2 Optimum viscosity ................................................................................................................... 3-36
3.4.3 Recommended brands ............................................................................................................ 3-37
3.5 Sludge Discharge Interval ....................................................................................................... 3-38
3.5.1 Discharge Interval (Total discharge)........................................................................................ 3-38
3.5.2 Discharge Interval (HIDENS specification) .............................................................................. 3-39
SELFJECTOR Instruction Manual Operation Manual2
Contents (2 / 3)
3.6 Operating Water ...................................................................................................................... 3-41
3.6.1 Operating water quality ........................................................................................................... 3-42
3.6.2 Setting pressure of operating water ........................................................................................ 3-42
3.6.3 Operating water for opening bowl............................................................................................ 3-44
3.6.4 Operating water for closing bowl ............................................................................................. 3-44
3.6.5 Quantity of sealing water/regulating water and replacement water, washing water ................ 3-45
3.6.6 Quantities of washing water .................................................................................................... 3-46
3.7 Partial Discharge Setting/Adjustment (GSH-1) ........................................................................ 3-47
3.7.1 Setting/adjustment of partial discharge ................................................................................... 3-47
3.7.2 Measure of the amount of partial discharge ............................................................................ 3-48
3.8 Timer Setup on the Automatic Control Panel .......................................................................... 3-51
3.8.1 GBC-1, GBC-2 timer settings(guideline) ................................................................................. 3-51
3.8.2 GSH-1 type timer settings (guideline)...................................................................................... 3-53
3.8.3 Setup method .......................................................................................................................... 3-55
3.9 Timer setting for Electrostatic Capacity Type Water Detector ................................................. 3-61
4 Multi-Monitor .......................................................................................................... 4-1
4.1 Multi-Monitor ............................................................................................................................. 4-1
4.1.1 Kinds of switches and Setting parameters ................................................................................ 4-1
4.1.2 Accessing Memory Preset Items and Changing Memory Settings ............................................ 4-3
4.1.3 Wiring ........................................................................................................................................ 4-5
4.2 Leakage Monitor Function (LM) ................................................................................................ 4-7
4.2.1 Setting Up the Leakage Monitor Function ................................................................................. 4-7
4.2.2 Principal Preset Items ............................................................................................................... 4-8
4.2.3 Light Liquid Outlet Pressure Adjustment ................................................................................... 4-9
4.2.4 Checking Timer Setting after Start of Feeding ........................................................................ 4-10
4.2.5 Pressure Adjustment after Feeding ......................................................................................... 4-10
4.3 Discharge Detector Function (DD) .......................................................................................... 4-11
4.3.1 Setting Up the Discharge Detector Function ........................................................................... 4-11
4.3.2 Adjusting the Proximity Switch Position .................................................................................. 4-12
4.3.3 Checking Proximity Switch Position ........................................................................................ 4-13
4.4 Water Detector Function (WD) ................................................................................................ 4-14
4.4.1 Setting Up the Water Detector Function .................................................................................. 4-14
4.4.2 Principal Preset Items ............................................................................................................. 4-15
4.4.3 Adjusting Circulation Line Back Pressure Valve ...................................................................... 4-15
4.4.4 Setting Up the Electrostatic Capacity Type Water Detector .................................................... 4-16
SELFJECTOR Instruction Manual Operation Manual2
Contents (3 / 3)
5 Operation ............................................................................................................... 5-1
5.1 Inspections Prior to Running ..................................................................................................... 5-1
5.1.1 Pipe connections ....................................................................................................................... 5-1
5.1.2 Electrical wiring ......................................................................................................................... 5-1
5.1.3 Flushing ..................................................................................................................................... 5-1
5.1.4 Inspections prior to running (confirmation) ................................................................................ 5-2
5.2 Start-Up ..................................................................................................................................... 5-4
5.2.1 Precautions on start-up ............................................................................................................. 5-4
5.3 Stop ........................................................................................................................................... 5-4
5.3.1 Precautions on stop .................................................................................................................. 5-4
5.4 Automatic Specification (GBC-1, GBC-2) .................................................................................. 5-5
5.4.1 Start-up ..................................................................................................................................... 5-6
5.4.2 Stop ........................................................................................................................................... 5-8
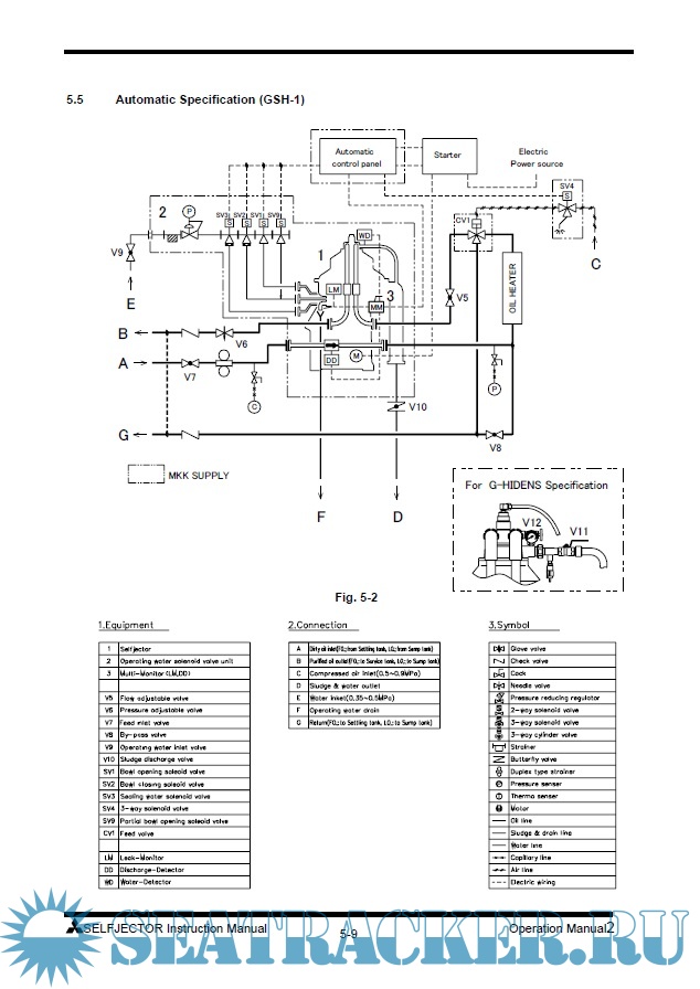
5.5 Automatic Specification (GSH-1) ............................................................................................... 5-9
5.5.1 Start-up ................................................................................................................................... 5-10
5.5.2 Stop ......................................................................................................................................... 5-13
5.6 Manual Specification (GAP-11) ............................................................................................... 5-14
5.6.1 Start-up ................................................................................................................................... 5-15
5.6.2 Stop ......................................................................................................................................... 5-19
5.7 Manual Specification ............................................................................................................... 5-21
5.7.1 Start-up ................................................................................................................................... 5-22
5.7.2 Stop ......................................................................................................................................... 5-26
6 Suspension ............................................................................................................ 6-1
6.1 Preparations for Suspension ..................................................................................................... 6-1
6.2 Maintenance during Suspension ............................................................................................... 6-2
6.2.1 Purifier main body and mechanical components ....................................................................... 6-2
6.2.2 Electrical component ................................................................................................................. 6-2
6.3 Resuming Operation ................................................................................................................. 6-2
6.4 Other ......................................................................................................................................... 6-2

Screenshots

   

OM2-E_0601 .pdf

Download [4 KB]

Thank U
Reply
refresh list

Similar releases

Mitsubishi Self Ejector Genius-Series (Operation Manual 1) - Mitsubishi [PDF]
Mitsubishi Self Ejector Genius-Series (Instruction/Maintenance Manual) - Mitsubishi [PDF]
Samgong-Mitsubishi Selfjector Genius-Series / Instruction & Maintenance Manual / Part 1,2,3 [PDF]
7S70ME-C Electronic Manual (Operation, Maintainance, Description, Accessories) - MAN B&W Diesel…
SAACKE Boiler CD Manual [2006, HTML]
Separator HH-160 - Hutchison Hayes / Maintenance, Operation and Parts Manual [PDF]
Marine Auxiliary Engine Yanmar 6N21AL -W / Operating Manual [2011, JPG]
Alfa Laval Clarifier and Purifier for Lube Oil System [2017, MP4]
Woodward UG40-DI Governor / Installation and commissioning manual [PDF]
Instruction manual for Composite Boiler Burner SKVJ-M 14 - SAACKE [2004-2007, PDF]
LOAD MORE
  • Reply

The time now is: Today 22:12

All times are GMT + 3 Hours