ReX ®   14-Jan-2022 15:18

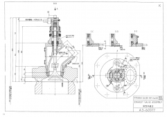
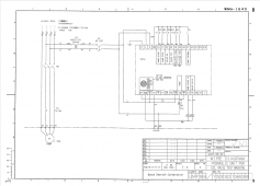
Main engine final drawings. APL Russia, 8110 TEU, Sulzer 11RT-flex96C


Year: 2008
Language: English
Author: Mitsubishi Heavy Industries Ltd. Nagasaki Shipyard and Machinery Works
Genre: Documentation
Publisher: Mitsubishi Heavy Industries Ltd. Nagasaki Shipyard and Machinery Works
Edition: Mitsubishi Heavy Industries Ltd. Nagasaki Shipyard and Machinery Works
Format: PDF
Quality: Scanned pages
Number of pages: 491
Description: Main engine final drawings. APL Russia, 8110 TEU, Sulzer 11RT-flex96C. She is also known as MOL Comfort, which accidently sunk in Arabian Sea in 2013.This information will be useful for engine officers / chief engineer working or planning to work with RT-flex Sulzer main engines.

Contents

Screenshots

MB06-0001-0491.pdf

Download [16 KB]

Thank U
Reply
refresh list

Similar releases

Loading and stability information. Containership APL Russia (MOL Comfort), 8110 TEU - Mitsubishi…
General arrangement, containership APL Russia, 8110 TEU - Mitsubishi Heavy Industries Ltd. Nagasaki…
Loading and stability information. Containership MOL Magnificence, 6724 TEU - Mitsubishi Heavy…
LNGC ARTIC LADY- IMO 9284192 - Machinery Operation Manual - MITSUBISHI HEAVY INDUSTRIES LTD -…
LPG Damage Stability Booklet (VLGC) - Mitsubishi Heavy Industries Ltd. [2xxx, PDF]
Hundai MAN B&W 6S70ME-C8.5 Final drawings for Main Engine - Hundai Heavy Indastries Co. LTD. Engine…
LNGC Grand Aniva - IMO 9338955 -Machinery System Operation Manual - Mitsubishi H.I. [2008, PDF]
Mitsubishi Auxiliary Boiler Type MAC-35B - Mitsubishi Heavy Industries, LTD. [2009, PDF]
Looking for the job
Mitsubishi Auxiliary Boiler Type MAC-30B - Mitsubishi Heavy Industries, LTD. [2003, PDF]
LOAD MORE
  • Reply

The time now is: Today 11:27

All times are GMT + 3 Hours