Year: 1981 Language: english Author: J. Crawford Publisher: Butterworth-Heinemann Edition: 1st Edition @ August 27, 1981 ISBN: 9781483102467 Format: EPUB Quality: eBook Pages count: 390 Description: Marine and Offshore Pumping and Piping System covers the history, application, installation, maintenance, and safety of different pumping and piping systems. The book covers topics such as pumping arrangements, especially in machinery spaces; water ballast, oil fuel, feed, and cooling water systems; and piping systems for oil and chemical tankers. Also covered are topics such as the arrangements in liquefied gas carriers and fuel gas and coal burning; the required arrangements and systems for specialized ships and its related regulations; the automation of control systems; piping designs, and offshore services. The text is recommended for marine engineers who would like to know more about the pumping and piping systems on ships and offshore services, as well as their arrangements. :
Contents
Screenshots
5
Marine and Offshore Pumping and Piping Systems - J. Crawford.epub
You cannot post new topics in this forum You cannot reply to topics in this forum You cannot edit your posts in this forum You cannot delete your posts in this forum You cannot vote in polls in this forum You cannot attach files in this forum You cannot download files in this forum
Marine and Offshore Pumping and Piping Systems
Language: english
Author: J. Crawford
Publisher: Butterworth-Heinemann
Edition: 1st Edition @ August 27, 1981
ISBN: 9781483102467
Format: EPUB
Quality: eBook
Pages count: 390
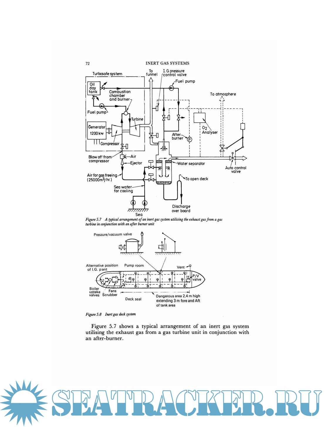
Description: Marine and Offshore Pumping and Piping System covers the history, application, installation, maintenance, and safety of different pumping and piping systems. The book covers topics such as pumping arrangements, especially in machinery spaces; water ballast, oil fuel, feed, and cooling water systems; and piping systems for oil and chemical tankers.
Also covered are topics such as the arrangements in liquefied gas carriers and fuel gas and coal burning; the required arrangements and systems for specialized ships and its related regulations; the automation of control systems; piping designs, and offshore services.
The text is recommended for marine engineers who would like to know more about the pumping and piping systems on ships and offshore services, as well as their arrangements.
:
Contents
Screenshots
Marine and Offshore Pumping and Piping Systems - J. Crawford.epub
Download [29 KB]
Share